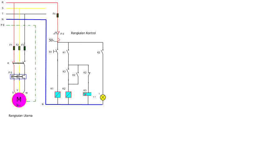
Penjelasan Cara Kerja
Jika saklar S01 dihubungkan (ON),
maka dengan segera kontaktor K1 bekerja, kontak K1 mnghubungkan rele penunda
waktu (TDR) K3. Setelah penyetelan waktu tunda (TDR) K3 pada kontaktor K2
menutup. Kontaktor K2 bekerja menghidupkan lampu H1. Dengan memutus saklar S01,
maka kontaktor K1 lepas dan lampu H1 terputus.
TDR = Time Delay Relay

Tidak ada komentar:
Posting Komentar